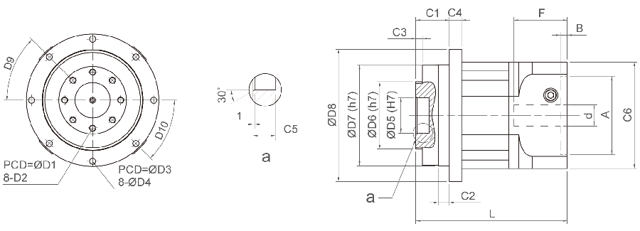
The DF Series planetary gearboxes features a rotating output flange that allows machine elements such as gears, pulleys, rotary index tables and transmissions shafting to be easily connected directly to the output. These gearboxes are ideal for motion control applications that require gearboxes to redirect the power flow.
| Backlash | 5-8 ARC MIN |
| Available Sizes | 60, 90, 120, 150 |
| Noise | 64-65 dB |
| Lifetime | 20,000 hours |
| Mounting | Through hole |
