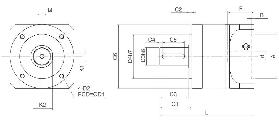
The DL Series planetary gearboxes have been developed as an all-purpose gearbox where a threaded hole mount is required and is an ideal alternative to costly high precision gearboxes.
| Backlash | 10-12 ARC MIN |
| Available Sizes | 60, 90, 120, 150 |
| Noise | 64-65 dB |
| Lifetime | 20,000 hours |
| Mounting | Threaded hole |
