The DS Series planetary gearboxes are designed for precision servo applications that require a high thermal dissipation.
| Backlash | 5-8 ARC MIN |
| Available Sizes | 60, 70, 90, 120, 150, 180, 220 |
| Noise | 64-65 dB |
| Lifetime | 20,000 hours |
| Mounting | Through hole |
The DS Series planetary gearboxes are designed for precision servo applications that require a high thermal dissipation.
| Backlash | 5-8 ARC MIN |
| Available Sizes | 60, 70, 90, 120, 150, 180, 220 |
| Noise | 64-65 dB |
| Lifetime | 20,000 hours |
| Mounting | Through hole |
| Stage | Ratio | DS060 | DS070 | DS090 | DS120 | DS150 | DS180 | DS220 | |
|---|---|---|---|---|---|---|---|---|---|
| Defined Output Torque (Nm) | 1 | 3 | - | 44 | 168 | 260 | 476 | 987 | 1560 |
| 4 | 35 | 54 | 188 | 306 | 560 | 1280 | 2200 | ||
| 5 | 34 | 48 | 180 | 292 | 536 | 1248 | 2360 | ||
| 7 | 30 | 46 | 176 | 285 | 520 | 1185 | 1880 | ||
| 10 | 22 | 44 | 168 | 260 | 476 | 987 | 1560 | ||
| 2 | 9 | - | 44 | 168 | 260 | 476 | 987 | 1560 | |
| 12 | - | 44 | 168 | 260 | 476 | 987 | 1560 | ||
| 15 | - | 44 | 168 | 260 | 476 | 987 | 1560 | ||
| 16 | 35 | 54 | 188 | 306 | 560 | 1280 | 2200 | ||
| 20 | 34 | 48 | 180 | 292 | 536 | 1248 | 2360 | ||
| 21 | - | 44 | 168 | 260 | 476 | 987 | 1560 | ||
| 25 | 34 | 48 | 180 | 292 | 536 | 1248 | 2360 | ||
| 28 | 30 | 46 | 176 | 285 | 520 | 1185 | 1880 | ||
| 30 | - | 44 | 168 | 260 | 476 | 987 | 1560 | ||
| 35 | 30 | 46 | 176 | 285 | 520 | 1185 | 1880 | ||
| 40 | 22 | 44 | 168 | 260 | 476 | 987 | 1560 | ||
| 50 | 22 | 44 | 168 | 260 | 476 | 987 | 1560 | ||
| 70 | 22 | 44 | 168 | 260 | 476 | 987 | 1560 | ||
| 3 | 100 | 34 | 48 | 180 | 292 | 536 | 1248 | 2360 | |
| Peak Output Torque (Nm) | 1, 2, 3 | 3~100 | 3x Defined Output Torque | ||||||
| Backlash (arc min) | 1 | 3~10 | ≤ 5 | ≤ 5 | ≤ 5 | ≤ 5 | ≤ 5 | ≤ 5 | ≤ 5 |
| 2 | 9~70 | ≤ 8 | ≤ 8 | ≤ 8 | ≤ 8 | ≤ 8 | ≤ 8 | ≤ 8 | |
| Defined Input Speed (RPM) | 1 | 3, 4, 5 | 3300 | 3300 | 2600 | 2300 | 2200 | 1500 | 1500 |
| 7, 10 | 4000 | 4000 | 2900 | 2700 | 2700 | 2400 | 2000 | ||
| 2 | 12~40 | 4400 | 4400 | 3200 | 3000 | 3000 | 2800 | 2400 | |
| 50 | 4800 | 4800 | 3600 | 3300 | 3200 | 3000 | 2500 | ||
| 70 | 5500 | 5500 | 4200 | 3900 | 3500 | 3200 | 2000 | ||
| Weight (kg) | 1 | 3~10 | 0.40 | 1.28 | 4.10 | 6.30 | 18.00 | 38.00 | 70.00 |
| 2 | 9~70 | 0.50 | 1.60 | 5.20 | 7.80 | 25.00 | 50.00 | 78.00 | |
| Torsional Rigidity (NM/arc min) | 1, 2 | 3~70 | 3.00 | 6.50 | 14.00 | 27.00 | 48.00 | 115.00 | 218.00 |
| Allowable Radial Force (N) | 630 | 1260 | 5580 | 6750 | 12600 | 19800 | 25920 | ||
| Allowable Axial Force (N) | 315 | 720 | 4680 | 5805 | 10800 | 18000 | 23400 | ||
| Noise (dB) | 65 | 65 | 64 | 64 | 64 | 64 | 64 | ||
| Lifetime (hrs) | 20000 | ||||||||
| Temperature (C°) | -15°C ~ +90°C | ||||||||
| Protection Rank | IP64 | ||||||||
| Lubricant | Synthetic Lubricant, ISO VG220 | ||||||||
| Mass Moments of Inertia (kg x cm2) | 1 | 3 | - | 0.042 | 0.780 | 2.380 | 19.800 | 48.700 | 66.500 |
| 4 | 0.040 | 0.030 | 0.600 | 2.000 | 17.000 | 45.000 | 63.20 | ||
| 5 | 0.040 | 0.029 | 0.590 | 2.000 | 17.000 | 46.500 | 65.000 | ||
| 7 | 0.040 | 0.028 | 0.730 | 2.000 | 16.800 | 46.500 | 65.800 | ||
| 10 | 0.040 | 0.035 | 0.750 | 2.300 | 19.000 | 48.000 | 66.800 | ||
| 2 | 9 | - | 0.042 | 0.780 | 2.380 | 19.800 | 19.800 | 24.500 | |
| 12 | - | 0.030 | 0.730 | 2.100 | 17.000 | 19.000 | 24.000 | ||
| 16 | 0.030 | 0.030 | 0.600 | 2.100 | 17.000 | 17.000 | 22.000 | ||
| 20 | 0.030 | 0.030 | 0.600 | 2.100 | 16.800 | 17.000 | 22.000 | ||
| 25 | 0.030 | 0.029 | 0.750 | 2.100 | 17.000 | 17.000 | 21.500 | ||
| 28 | 0.030 | 0.030 | 0.750 | 2.100 | 19.000 | 17.000 | 21.500 | ||
| 35 | 0.030 | 0.030 | 0.730 | 2.380 | 19.000 | 19.000 | 21.000 | ||
| 40 | 0.030 | 0.035 | 0.780 | 2.380 | 19.000 | 19.000 | 21.000 | ||
| 50 | 0.030 | 0.035 | 0.780 | 2.380 | 19.000 | 19.000 | 21.000 | ||
| 70 | 0.030 | 0.035 | 0.780 | 2.380 | 19.000 | 19.000 | 21.000 | ||
| 3 | 100 | 0.030 | 0.035 | 0.780 | 2.380 | 19.800 | 19.800 | 20.600 | |
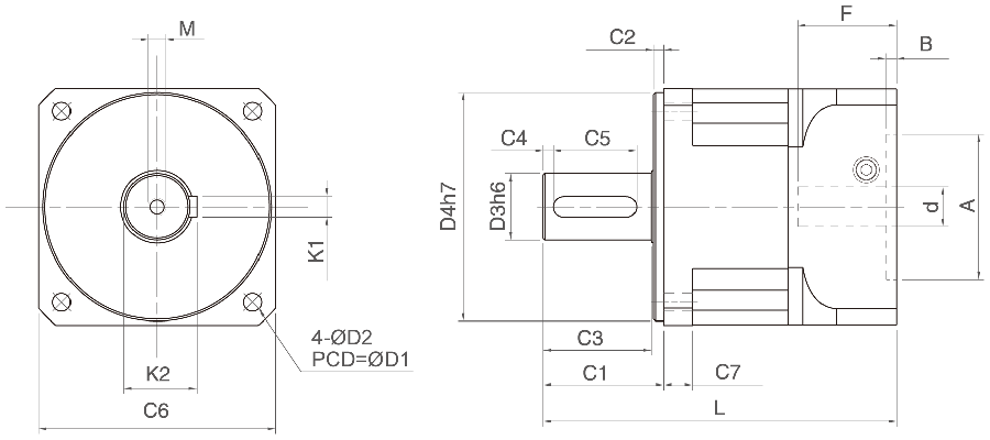
| DS060 | DS070 | DS090 | DS120 | DS150 | DS180 | DS220 | |
|---|---|---|---|---|---|---|---|
| D1 | 70.0 | 75.0 | 105.0 | 130.0 | 165.0 | 215.0 | 250.0 |
| D2 | 5.50 | 5.50 | 6.80 | 8.60 | 10.50 | 13.00 | 17.00 |
| D3 | 16 (12~16) | 16 (12~16) | 20 (16~22) | 32 (24~35) | 42 (38~45) | 55 (50~60) | 75 (50~75) |
| D4 | 50.0 | 60.0 | 80.0 | 110.0 | 130.0 | 160.0 | 180.0 |
| C1 | 35.0 | 33.0 | 56.0 | 58.0 | 74.0 | 107.0 | 124.0 |
| C2 | 7.0 | 5.0 | 6.0 | 5.0 | 4.0 | 10.0 | 15.0 |
| C3 | 27.0 | 27.0 | 49.0 | 52.0 | 67.0 | 96.0 | 106.0 |
| C4 | 3.0 | 3.0 | 5.0 | 5.0 | 5.0 | 6.0 | 7.0 |
| C5 | 20.0 | 20.0 | 25.0 | 40.0 | 45.0 | 70.0 | 90.0 |
| C6 | 60.0 | 68.0 | 94.0 | 114.0 | 142.0 | 180.0 | 220.0 |
| C7 | 11.0 | 10.0 | 17.0 | 14.0 | 18.0 | 25.0 | 30.0 |
| L1 | 125.7 | 125.7 | 167.0 | 170.3 | 262.0 | 334.0 | 356.0 |
| L2 | 147.7 | 147.7 | 195.3 | 198.6 | 313.8 | 416.0 | 462.5 |
| M | M4 x 0.7 x 15 | M4 x 0.7 x 15 | M6 x 1.0 x 20 | M8 x 1.25 x 27 | M12 x 1.75 x 32 | M12 x 2.0 x 40 | M14 x 2.0 x 40 |
| K1 | 5.0 | 5.0 | 6.0 | 10.0 | 12.0 | 14.0 | 20.0 |
| K2 | 18.0 | 18.0 | 22.5 | 35.1 | 45.0 | 58.5 | 79.5 |
| d | ≤ 14.0 | ≤ 14.0 | ≤ 24.0 | ≤ 28.0 | ≤ 42.0 | ≤ 55.0 | ≤ 69.7 |
| A | 30~50 | 30~60 | 50~80 | 55~110 | 95~130 | 95~155 | 180~250 |
| B | 6.0 | 6.0 | 6.0 | 5.0 | 10.0 | 11.0 | 12.0 |
| F | ≤ 35.0 | ≤ 35.0 | ≤ 47.5 | ≤ 47.5 | ≤ 66.5 | ≤ 82.5 | ≤ 88.5 |
aliudfhjkl;sdf